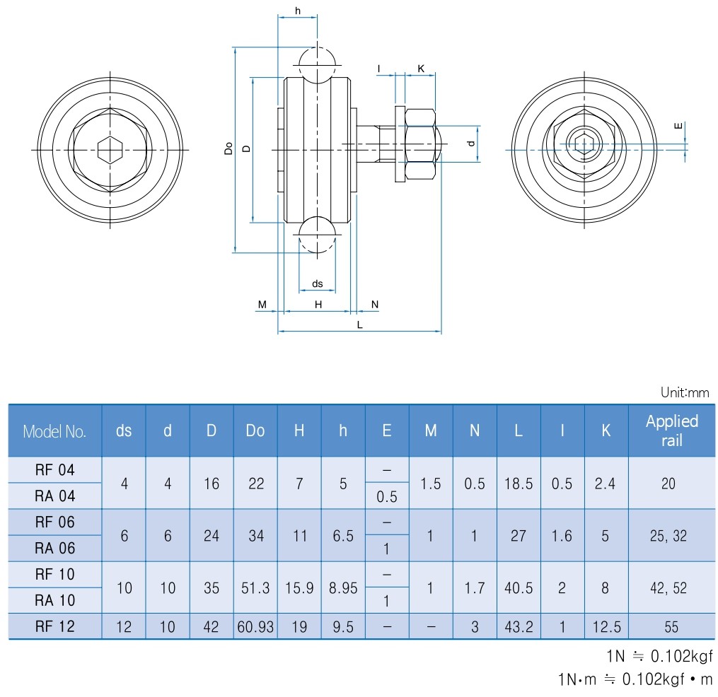
Track Roller Guide

Outside Type

RF Series

Double-row angular contact ball bearing

Available in concentric (RF) and eccentric (RA) types

Product Details